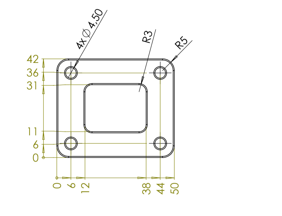
Small adapter enables simple mounting of the Garmin Montana and Garmin 276Cx holder to the crossbar on our navigation tower. And many others with the spacing of the holes are 38mm and 30mm. See the drawing in the gallery below.
The crossbar has 12mm diameter so the adapter will work on many other bikes with the same size crossbar.
Precision made & smart design
The adapter is CNC billet from durable aluminum with black anodized finish. You have one horizontal and two vertical options to place your Garmin navigation on your bike with Rade/Garage adapter.
And of course you can mount and tighten at any angle that works for you, depending on standup or sit-down riding, sun position etc.
Included in the KTM 690 & Husqvarna 701 fairing kits
It is our philosophy to always improve our products. We strive to make changes available as “an upgrade”, protecting your investments. This is another of those cases. Those that purchased the fairings in the past can order it on this page.







